SCRS: Inserts for Plastics, Metals and Composites

FSUK-SCRS

WP 3D Thingviewer need Javascript to work.
Please activate and reload the page.

Description

The SCRS range is a Self Tapping range of inserts with internal and external threads and 3 holes to aid installation. It's designed to be installed into drilled or moulded holes generally for Thermosetting Plastics with up to 50% Glass Filled like Grivory. They are also an excellent insert to obtain a wear-free, vibration-resistant insert for Aluminium and Aluminium and Magnesium alloys. Can also be used in ThermoPlastics.

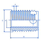
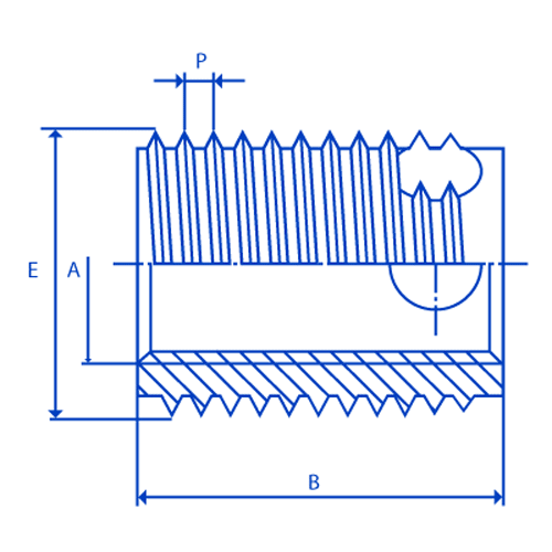
Dimensions

threadBPEholesizeholesize 2downloads
M5-77.01.08.07.4-7.67.6-7.7download
M5-1010.01.08.07.4-7.67.6-7.7download
M6-88.01.2510.09.3-9.59.5-9.6download
M6-1212.01.2510.09.3-9.59.5-9.6download
M8-99.01.512.011.1-11.311.3-11.5download
M8-1414.01.512.011.1-11.311.3-11.5download
M10-1010.01.514.013.1-13.313.3-13.5download
M10-1818.01.514.013.1-13.313.3-13.5download
M12-1212.01.7516.015.0-15.215.2-15.4download
M12-2222.01.7516.015.0-15.215.2-15.4download
M14-1414.02.018.017.0-17.217.2-17.4download
M14-2424.02.018.017.0-17.217.2-17.4download
M16-1414.02.020.019.0-19.219.2-19.4download
M16-2424.02.020.019.0-19.219.2-19.4download

Advantages

HIGH PULL OUT RESISTANCE DEVELOPED FOR MATERIALS WITH DIFFICULT CUTTING PROPERTIES THE INSERT HAS A THICK WALL AND THE CUTTING FORCE IS DISTRIBUTED OVER THREE CUTTING EDGES
SHORTER VERSION AVAILABLE IN ALL SIZES WHERE MINIMAL MATERIAL THICKNESSES ARE INVOLVED GENERALLY SOLD IN HARDENED STEEL WITH A RoHS COMPLIANT ZINC AND CLEAR PASSIVATION

Comments

TO SPECIFY SIMPLY SPECIFY THE INSERT TYPE - FSUK SCRS - AND THEN THE THREAD SIZE, LENGTH AND THEN FINISH FOR EXAMPLE, A M8-14 LONG WOULD BE FSUK SCRS M8-14-Z (Z= ZINC AND CLEAR PASS). ALSO AVAILABLE IN STAINLESS. M8, M10 AND M12 CURRENTLY STOCKED BUT MOST SIZES ARE AVAILABLE. PLEASE NOTE HOLESIZE 1 FOR PLASTIC AND HOLESIZE 2 FOR METAL. PLEASE NOTE THAT THE WALL THICKNESS WOULD BE TYPICALLY MINIMUM 0.3 X E ON THE SCRS. PLEASE NOTE DEPTH ON BLIND HOLE SHOULD BE 10% MIN OF DIM B FOR PLASTICS AND 15% MIN FOR METAL

click HERE for a PDF version of this brochure page

Most sizes available from stock contact fsuk for further info.