BLD: Moulded In Inserts
FSUK-BLD
Description
The FSUK BLD range is a blind insert designed for moulding in rather than post insertion. The opposing herringbone knurl gives a very high level of performance.
The location pin should be designed as per our dimensions to ensure the insert locates correctly during the moulding process.
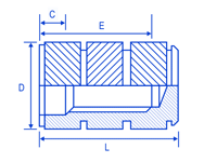
Mould Pin
Dimensions - Mould Pin
| thread | C | D | E | K | L | T |
| M2 | 0.80 | 1.55 | 2.65 | 2.30 | 6.00 | 3.0 |
| M3 | 1.05 | 2.45 | 3.40 | 3.125 | 4.5 | 4.00 |
| M4 | 1.50 | 3.25 | 5.0 | 4.425 | 4.5 | 5.40 |
| M5 | 1.70 | 4.15 | 5.55 | 5.125 | 5 | 6.00 |
| M6 | 1.80 | 4.95 | 6.15 | 6.600 | 5.5 | 8.00 |
| M8 | 2.00 | 6.70 | 9.00 | 8.500 | 6 | 10.00 |
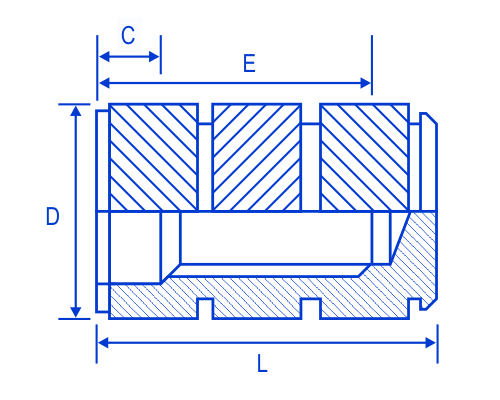
Dimensions
| thread | C | D | E | L | downloads |
| M2 | 1.2 | 3.4 | 3.6 | 5.5 | download |
| M3 | 1.3 | 4.7 | 4.6 | 7.3 | download |
| M4 | 1.8 | 6.3 | 6.7 | 10.2 | download |
| M5 | 2.0 | 7.3 | 7.4 | 11.2 | download |
| M6 | 2.0 | 9.8 | 8.1 | 14.4 | download |
| M8 | 2.3 | 11.4 | 11.1 | 16.5 | download |
Advantages
BLIND ENDED TO AVOID ANY PLASTIC ENTERING THE INTERNAL THREAD
CAN BE INSTALLED INTO VERY LARGE MOULDINGS
VERY HIGH LEVEL OF PERFORMANCE
FREE RUNNING THREAD
MOST SIZES EX STOCK
Comments
MOULD PIN DESIGN IS CRITICAL TO THE SUCCESS OF THE MOULDING-IN OPERATIONS, SINCE THE FEATURES SHOWN ARE USED TO LOCATE AND RETAIN THE INSERT PRIOR TO MOULDING AND PREVENT THE INGRESS OF PLASTIC DURING THE PROCESS
HOW TO SPECIFY: FSUK BLD B M5
ONLY AVAILABLE IN BRASS
ALL STOCK SIZES
NOTE: Dimension E on the insert represents a minimum length.
click HERE for a PDF version of this brochure page
Most sizes available from stock contact fsuk for further info.













