HIHLH: Inserts for Thermoplastics
FSUK-HIHLH
FSUK-HIHL
Description
The HIHL range has been designed with a rounded crest and knurl configuration to be installed into Notch Sensitive Plastics such as 30% Glass Filled Polycarbonate. This insert reduces the stress and is available in a headed version to increase performance and aid with electrical contacts. It's designed to be installed into drilled or moulded holes using direct heat and reduces the risks associated with cracking.
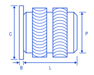
Dimensions
| thread | B | C | D | P | L | holesize(+0.1mm-0.0) | wall thickness | downloads |
| M2 | 0.51 | 4.8 | 3.5 | 3.1 | 3.9 | 3.2 | 1.4 | download |
| M2.5 | 0.58 | 5.5 | 4.4 | 3.9 | 5.8 | 4.0 | 1.8 | download |
| M3 | 0.58 | 5.5 | 4.4 | 3.9 | 5.8 | 4.0 | 1.8 | download |
| M3.5 | 0.74 | 6.4 | 5.2 | 4.7 | 7.1 | 4.8 | 2.1 | download |
| M4 | 0.89 | 7.1 | 6.1 | 5.5 | 8.1 | 5.6 | 2.4 | download |
| M5 | 1.07 | 7.9 | 6.9 | 6.3 | 9.5 | 6.4 | 2.8 | download |
| M6 | 1.32 | 9.5 | 8.5 | 7.9 | 12.7 | 8.0 | 3.6 | download |
| M8 | 1.32 | 11.1 | 10.0 | 9.5 | 12.7 | 9.6 | 5.0 | download |
Advantages
SYMMETRICAL TO AID WITH INSTALLATION DESIGNED TO REDUCE STRESS FOR USING WITH AMORPHOUS PLASTICS HEADED VERSION FOR ELECTRICAL CONTACT AND HIGHER PERFORMANCE
Comments
PLEASE NOTE HOLE SIZES APPLY TO THE POINT REACHED AT THE BOTTOM OF THE INSERT
EXAMPLE DESIGNATION: FSUK HIHL B M3 UNHEADED M3
FSUK HIHLH B M3 HEADED M3
ONLY AVAILABLE IN BRASS
click HERE for a PDF version of this brochure page
Most sizes available from stock contact fsuk for further info.














